Impulszähler

Der Impulszähler zählt die Impulse der S0-Schnittstellen, beliebige KNX-Telegramme oder die Betriebszeit des EIBPORT. Die S0-Schnittstellen hat jeder EIBPORT Version 3 seit August 2012 serienmäßig. Falls Sie Ihren EIBPORT Version 3 mit S0- Schnittstellen nachrüsten möchten, kontaktieren Sie bitte info@bab-tec.de.
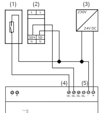
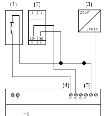
Um die Impulse einer der S0-Schnittstellen zu zählen, müssen diese richtig angeschlossen werden. Beachten Sie bitte folgendes Anschlussschema:

Anschluss S0
(1) Reed-Kontakt zum Aufsetzen auf den Zähler.
(2) z.B. Eltako Wechselstromzähler WSZ12D-32A
(3) Spannungsversorgung 24V DC
(4) S0-Schnittstelle zum Auswerten von Messwerten
(5) Anschlussklemme für S0-Spannungsversorgung 24V DC
Der Zugriff auf die verschiedenen S0-Schnittstellen erfolgt in der Job Maske über ein entsprechendes Menü.
Job Konfiguration
Um einen neuen Impulszähler Job anzulegen kann entweder der Button in der Job Editor Classic Menüleiste oder der Rechtsklick auf den Job Container („Impulszähler“) auf der linken Seite genutzt werden. Sollten Sie keine S0 Schnittstellen verwendet haben, können Sie den Job zum Zählen von KNX-Telegrammen oder der Betriebszeit des EIBPORT nutzen („Power on time“).
Job Name
Pflichtfeld. Vergeben Sie einen eindeutigen Namen für den Job. Der Name darf maximal 15Zeichen enthalten.

Job Editor Classic - Job Maske Impulszähler
Freigabeobjekt
Durch das Freigabeobjekt wird der Job freigegeben oder gesperrt. Es handelt sich um ein EIS 1 Objekt:
Gruppenadresse nicht vergeben = Job freigegeben
Gruppenadresse eingetragen, Wert 1 = Job freigegeben
Gruppenadresse eingetragen, Wert 0 = Job ist gesperrt
Gruppenadresse eingetragen, Kein Wert = Job ist gesperrt
Sobald eine Adresse in das Feld eingetragen ist, verhält sich die Freigabe entsprechend dem Wert der Gruppenadresse. Wurde auf die Adresse bisher kein Wert gesendet, ist sie also zurzeit Werte-los, ist der Job gesperrt.
Quelle
Bestimmen Sie hier die Quelle des Impulses, welcher gezählt werden soll. Zur Auswahl stehen:
KNX: Der Job zählt die Anzahl eines beliebigen KNX-Telegramms (dabei spielt der Datentyp keine Rolle).
S0 #1 -#4: Der Job zählt die S0-Impulse der an die S0-Klemmen angeschlossenen Geräte. Die Nummerierung „#1 - #4“ergibt sich aus der Beschriftung am Gerät. Zum Anschließen von S0 Geräten beachten Sie bitte das oben gezeigte Anschlussbild.
Power on timer: In diesem Fall gibt der Job die Betriebszeit des EIBPORT in Sekunden seit der Erstinbetriebnahme wieder.
Durch die Quellenauswahl ergeben sich Unterschiede bei der Parameterauswahl. Diese sind in den Parameterbeschreibungen gekennzeichnet und werden bei der Konfiguration in der Jobmaske ausgegraut.
Parameter
Nachfolgend werden alle Parameter des Impulszähler Jobs der Job Maske von oben nach unten folgend beschrieben. Ein Konfigurationsbeispiel zu Erläuterung finden Sie am Ende des Kapitels.
Eingangsadresse
Dieses Feld wird nur bei der Quellenauswahl „KNX“ aktiv. Es wird die Anzahl der Telegramme gezählt, die auf dieser Gruppenadresse eingehen. Der EIS-Typ (Datentyp) der Telegramme ist dabei nicht relevant.
Werte anfordern
Dieses Objekt dient zur Anforderung der aktuellen Zähler- und Wertstände. Das Objekt kann einen beliebigen Datentyp enthalten, es wird allein der Eingang eines Telegramms gewertet. Die angeforderten Werte werden auf die Objekte „Zähler“ und „Wert“ gesendet (siehe Beschreibung weiter unten).
Watchdog Intervall / Watchdog Ausgang
Wenn während dieses Intervalls kein Impuls an der Quelle „Eingangs Adresse“ (KNX) oder „S0“ (S0 #1 - #4) eingegangen ist, sendet der Job ein Telegramm auf den Ausgang „Watchdog Ausgang“ um zu benachrichtigen das der Impulsgeber defekt oder fehlkonfiguriert ist.
Vorteiler
Über den Vorteiler kann man direkt zwischen den Einheiten umrechnen. Gibt ein Impulsgeber zum Beispiel einen Impuls pro Wh, lässt sich das mit einem Vorteiler von 1000 direkt in kWh verrechnen.
Hauptzähler setzbar?
Dieses Feld ist nur bei der Quellenauswahl „KNX“ oder „S0 #1 – S0 #4“ aktiv. Ist dieses Flag gesetzt kann der unskalierte Zählerwert des Hauptzählers über das Objekt „Zähler setzen“ auf einen beliebigen Wert gesetzt werden. Siehe auch Beschreibung zu „Zähler setzen“.
ZZ Rücksetzwert
Auf den hier angegebenen Wert wird der Zwischenzähler (ZZ) zurückgesetzt, sobald ein EIS 1 Telegramm auf der Gruppenadresse unter „ZZ-Zurücksetzen“ festgestellt wird. Siehe auch „ZZ-Zurücksetzen“.
Senden nur bei Änderung
Dieses Feld ist nur bei der Quellenauswahl „KNX“ oder „S0 #1 – S0 #4“ aktiv. Ist dieses Flag aktiviert sendet der Job Werte, sobald sich diese gegenüber dem vorangegangenen Wert verändert haben. Beachten Sie hierbei bitte die Angabe des Vorteilers. Ist der Vorteiler „1“ gibt der Zähler Wert jeden Impuls wieder, da sich der Zählerwert nach jedem Impuls ändert. Ist der Vorteiler „10“ ändert sich der Zählerwert nur nach jedem 10. Impuls, so dass erst dann eine Sendung erfolgt. Haben Sie als Quelle „Power on timer“ ausgewählt, kann „Senden nur bei Änderung“ nicht genutzt werden. Diese Option kann für Haupt- und Zwischenzähler separat voneinander eingestellt werden.
Periodisch senden
Durch Setzen dieses Flags sendet der Job die Ausgangswerte zyklisch, in dem unter „Sendeintervall“ angegebenen Intervall. Diese Option kann für Haupt- und Zwischenzähler separat voneinander eingestellt werden.
Sendeintervall
Geben Sie hier das Intervall in Sekunden an, in dem der Job die Ausgangswerte sendet. Das Sendeintervall kann für Haupt- und Zwischenzähler separat voneinander eingestellt werden.
Zähler setzen
Dieses Feld ist nur bei der Quellenauswahl „KNX“ oder „S0 #1 – S0 #4“ aktiv. Über dieses Objekt kann der Hauptzähler auf einen gewünschten Wert gesetzt werden, sobald das Flag „Hauptzähler setzbar“ aktiviert ist. Dabei orientiert sich der Datentyp dieses Objektes nach dem Datentyp, der für den unskalierten Zählerwert im Job eingestellt worden ist („Zähler EIS“). Das gilt nur für den Hauptzähler. Der Zwischenzähler kann nur zurückgesetzt werden, siehe „ZZ-Rücksetzwert“ und „ZZ-Zurücksetzen.
Zähler
Über die hier eingetragene Gruppenadresse wird der unskalierte Zählerwert mit dem darunter ausgewählten Datentyp gesendet. Der Datentyp wird im Feld darunter „Zähler EIS“ bestimmt.
Haupt- und Zwischenzähler müssen verschiedene Gruppenadresse erhalten.
Zähler EIS
Wählen Sie hier den Datentyp für den unskalierten Zählerwert aus, der auf der Gruppenadresse im darüber liegenden Feld gesendet wird. Mögliche Datentypen sind
EIS 10u (2 Byte Wert ohne Vorzeichen) = Wertigkeit von 0 - 65.535
EIS 11u (4 Byte Wert ohne Vorzeichen) = Wertigkeit von 0 - 4.294.967.295
EIS 14u (1 Byte Wert ohne Vorzeichen) = Wertigkeit von 0 - 255
Diese Einstellung kann für Haupt- und Zwischenzähler separat voneinander gemacht werden.
Wert
Über die hier verwendete Gruppenadresse wird der skalierte Zählerwert gesendet. Der „Wert“ wird dabei mit „Wert Faktor“ multipliziert und mit dem „Wert Offset“ addiert. Der Datentyp wird unter „Wert EIS“ bestimmt. Haupt- und Zwischenzähler müssen verschiedene Gruppenadresse erhalten.
Wert EIS
Geben Sie hier den Datentyp des Wertes an, der über die Gruppenadresse im Feld „Wert“ versendet wird. Es handelt sich dabei um den skalierten Zählerwert. Mögliche Datentypen sind:
EIS 5 (2 Byte Fließkomma Wert)
EIS 9 (4 Byte Fließkomma Wert)
Diese Einstellung kann für Haupt- und Zwischenzähler separat voneinander gemacht werden.
Wert Faktor / Wert Offset
Um den skalierten Zählerwert „Wert“ zu erhalten, wird der Wert des Zählers mit dem Faktor multipliziert und mit dem Offset addiert. Diese Einstellung kann für Haupt- und Zwischenzähler separat voneinander gemacht werden.
Beispiel: Um den unskalierten Zählerwert (Wh Impulse) in kWh umzurechnen muss ein Faktor von „0.001“ eingetragen werden.
Überlauf
Je nach Auswahl des Datentyps für den unskalierten Zählerwert „Zähler“ hat dieser einen maximalen Wert. Diese sind bei EIS 14 = 255, EIS 10 = 65.535 und EIS 11 = 4.294.967.295. Werden diese Werte überschritten beginnt der Zähler wieder von 0 anzuzählen. Gleichzeitig wird auf die Gruppenadresse „Überlauf“ ein EIS 1 Telegramm mit dem Wert „1“gesendet, um darüber zu informieren das in den Überlauf gezählt wurde.
ZZ Zählrichtung
Dieses Feld betrifft nur den Zwischenzähler (ZZ). Mittels eines EIS 1 Telegramms auf diese Gruppenadresse kann die Zählrichtung des Zwischenzählers bestimmt werden. Dabei gilt:
Wert „1“ = Zwischenzähler zählt vorwärts
Wert „0“ = Zwischenzähler zählt rückwärts
Hat die Gruppenadresse noch keinen Wert erhalten, verhält sich das Objekt wie bei Wert „0“, der Zwischenzähler zählt also rückwärts.
ZZ Zurücksetzen
Dieses Feld betrifft nur den Zwischenzähler (ZZ). Mittels eines EIS 1 Telegramms mit dem Wert „1“ kann der Zwischenzähler auf den unter „ZZ-Rücksetzwert“ bestimmten Wert zurückgesetzt werden. Ein Telegramm mit dem Wert „0“ hat keine Funktion.
ZZ Starten / Anhalten
Dieses Feld betrifft nur den Zwischenzähler (ZZ). Der Zwischenzähler kann mittels eines EIS 1 Telegramms auf diese Gruppenadresse gestartet oder angehalten werden. Dabei gilt:
Wert „1“ = Zwischenzähler wird gestartet
Wert „2“ = Zwischenzähler wird angehalten
Beispiel-Messung des Energieverbrauchs
Um den Impulszähler Job als Zähler für den Energieverbrauch in kWh zu nutzen, könnte eine Beispielkonfiguration folgendermaßen aussehen:
Verbinden Sie den S0 Impulsgeber mit den S0 Klemmen am EIBPORT (siehe Anschlussbild). Der Impulsgeber wird z.B. an S0 #1 angeschlossen und sendet pro Wh einen Impuls.
Wechseln Sie in die Job Maske und legen einen neuen Impulszähler Job mit den folgenden Parametern an:
Quelle = S0 #1
Vorteiler = 1
ZZ-Rücksetzwert = 0
Senden bei Änderung für HZ = ON
Zähler = 16/0/1
Zähler EIS = EIS 11u
Wert = 16/0/2
Wert EIS = EIS 9 FP
Wert Faktor = 0.001
Wert Offset = 0

Beispielkonfiguration Impulszähler Job
Damit zählt der Impulszähler die Wh Impulse des an S0 #1 angeschlossenen Gerätes und gibt den unskalierten Zählerwert (Anzahl der Impulse) auf die GA 16/0/1 wieder. Auf die Adresse 16/0/2 wird der skalierte Zählerwert (also Anzahl der Impulse mal 0.001) wiedergeben. Wegen dem Faktor 0.001 handelt es sich dabei nicht mehr um Wh sondern um kWh.