Kurzanleitung
EIBPORT V3.1
Artikel-Nr. 10105 / 10505 / 10405
(STAND 04.2025)
Werkseinstellungen
EIBPORT Standard IP: 192.168.1.222
Default Benutzername: admin
Default Passwort: eibPort
BAB TECHNOLOGIE GmbH
Hafenpromenade 1-2
DE - 44263 Dortmund
Phone: +49 (0) 231 / 476 425-30
Fax: +49 (0) 231 / 476 425-59
info@bab-tec.de
http://www.bab-tec.de
Made in Germany
SICHERHEITSHINWEISE
Einbau und Montage elektrischer Geräte dürfen nur durch Elektrofachkräfte erfolgen. Dabei sind die geltenden Unfallverhütungsvorschriften zu beachten.
FĂĽr die Inbetriebnahme sind Kenntnisse der Netzwerktechnik erforderlich.
Die verdrosselte Busspannung darf nicht als Betriebsspannung 12–30 V DC verwendet werden.
Der EIBPORT-String (Zeichenkette) befindet sich auf einem Aufkleber auf der Rückseite des Gerätes und in dieser Anleitung (s.o.). Diesen String bitte sorgfältig aufheben. Bei Verlust können weder Konfigurationsänderungen vorgenommen, noch Sicherungen erstellt werden.
Wird das Gerät mit dem Internet verbunden, beachten Sie bitte die gängigen Sicherheitsmaßnahmen zum Schutz vor unberechtigten Zugriff (Firewall Regeln, Passwörter etc.).
Bei Nichtbeachtung der Anleitung können Schäden am Gerät, Brand oder andere Gefahren entstehen. Die Kurzanleitung ist Bestandteil des Produkts und muss beim Endanwender verbleiben.
Geräteaufbau

Anschlussklemme für Spannungsversorgung 12–30 V DC, <= 4 VA
Signal-LEDs
LAN (RJ45) Anschluss fĂĽr Gigabit Ethernet
PrĂĽftaste zur ĂśberprĂĽfung der KNX-Busspannung
(≥ 1 s drücken) und zum Einleiten der RECOVERY FunktionPrüftasten-LED
4 x S0-Schnittstellen (für z. B. Energiezähler)
Anschlussklemme fĂĽr S0-Spannungsversorgung 24 V DC
USB-Schnittstelle fĂĽr SDMODULE und 1-Wire
(„Busmaster“ erforderlich, siehe separate Kompatibilitätsliste)Busanschlussklemme KNX/TP (Typ 10105 / 10505 / 10405)
SMA-Buchse fĂĽr
EnOcean-Antenne (Typ 10505)
LTE-Antenne „MAIN“ (Typ 10405)
SIM-Karten Slot (fĂĽr Typ 10405)
SMA-Buchse für LTE-Antenne „SEC“ (Typ 10405)
Informationen für Elektrofachkräfte
Gerät montieren
Das Gerät auf einer Hutschiene nach DIN EN 60715 (35x7,5 mm) befestigen.
Gerät erwärmt sich im Betrieb. Maximale Umgebungstemperatur beachten. Für ausreichende Wärmeableitung sorgen.
Gerät anschließen
FĂĽr KNX: Busleitung an die Busanschlussklemme (Abbildung 1, 9) anschlieĂźen.
FĂĽr EnOcean: Antenne mit SMA-Buchse fĂĽr EnOcean-Antenne (Abbildung 1, 10) verbinden.
Für LTE: LTE-Antennen mit SMA-Buchsen (Abbildung 1, 10 und 12) verbinden. Weitere Erläuterung siehe Kapitel „ERSTEINRICHTUNG“.
ÎŁpannungsversorgung an die Schraubklemmen (Abbildung 1, 1) entsprechend der Kennzeichnung anschlieĂźen (Leistungsaufnahme beachten).
Netzwerkleitung (LAN) in die RJ45-Buchse (Abbildung 1, 3) einstecken.
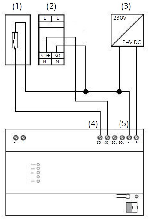
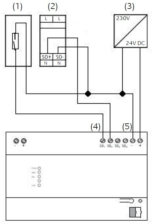
Bei Verwenden von S0: 24 V DC an die Anschlussklemme fĂĽr die Spannungsversorgung der S0-Schnittstelle (Abbildung 2, 5) anschlieĂźen. Achtung, nicht 230 V anschlieĂźen!
S0-Geräte an S0-Schnittstellen wie folgt anschließen (siehe Abbildung 2, 4).
S0 Eingänge anschließen

Reed-Kontakt zum Aufsetzen auf den Zähler.
z. B. Eltako Wechselstromzähler WSZ12D-32A
Spannungsversorgung 24 V DC
S0 - Eingänge (für z. B. Energiezähler)
Anschlussklemme fĂĽr S0 Spannungsversorgung 24 V DC
Betriebsbereitschaft herstellen
Für KNX: Busspannung einschalten. EIBPORT benötigt keine ETS-Applikation. Eine Programmierung der BCU ist nicht erforderlich. Weitere Erläuterung siehe Kapitel „ERSTEINRICHTUNG“.
Für LTE: Bitte SIM-Karte einlegen (Gerät muss ausgeschaltet sein) und weitere Erläuterung im Kapitel „ERSTEINRICHTUNG“ beachten.
Versorgungsspannung einschalten. Das Gerät ist betriebsbereit, wenn die oberen 3 LEDs (Power, BMX und KNX) sowie die LAN LED grün leuchten bzw. in Abhängigkeit der Kommunikation auf LAN und KNX blinken. Der Start dauert ca. 1 Minuten.
Betriebszustandsanzeige
Den aktuellen Betriebszustand des EIBPORT zeigen Signal-LEDs an der Frontseite des Gerätes an:
POWER-LED
LED Anzeige | Status |
AUS | Das Gerät ist nicht betriebsbereit. Es liegt keine Betriebsspannung an. |
GRĂśN | Das Betriebssystem ist gestartet |
ORANGE blinkend | Der EIBPORT befindet sich im Boot-Vorgang. |
BMXÂLED
LED Anzeige | Status |
AUS | Der Applikationsserver ist nicht gestartet. |
GRĂśN | Der Applikationsserver ist betriebsbereit. |
GRĂśN blinkend | Es findet Kommunikation ĂĽber das BMX-Protokoll statt. |
KNX-LED
LED Anzeige | Status |
AUS | Der KNX-Treiber ist nicht gestartet. |
GRĂśN | KNX-Treiber ist gestartet. |
ORANGE blinkend | KNX-Treiber verarbeitet Telegramme. |
LAN-LED
LED Anzeige | Status |
AUS | Der EIBPORT hat keine Verbindung zum LAN. |
GRÜN | „Link“-LED der Netzwerkverbindung |
ORANGE blinkend | Der EIBPORT tauscht Daten mit dem LAN aus. |
Korrekter Betriebszustand
LED Anzeige | Status |
POWER | grĂĽn |
BMX | grün (blinkt gelb bei „Traffic“) |
KNX | grün (blinkt gelb bei „Traffic“) |
LAN | grün (blinkt gelb bei „Traffic“) |
Zugriff herstellen
Ist das Gerät laut LEDs korrekt gestartet, kann der Netzwerkzugriff auf das Gerät hergestellt werden. Wenn sich das Gerät in einem anderen Netzwerkadressbereich befindet (Standard-IP Adresse beachten, s.o.), muss zunächst die IP-Adresse des Gerätes angepasst werden!
Bitte nutzen Sie dazu das Programm „BAB STARTER“ um den EIBPORT zu konfigurieren und einzurichten.
BAB STARTER Installation
Für Microsoft Windows und Apple macOS erhalten Sie eine ZIP-Datei zum Download. Diese enthält die Installationsdatei und muss erst entpackt werden.
Eine detaillierte Beschreibung zum BAB STARTER finden Sie in der zugehörigen Dokumentation zum Download auf http://www.bab-tec.de .
Windows Installation
FĂĽhren Sie die entpackte Datei aus, um die Installation zu starten.
Folgen Sie den Anweisungen im InstallShield Wizard und klicken auf „Weiter“.
Bestätigen Sie am Ende die Installation mit „Fertigstellen“.
Der BAB STARTER ist danach im Windows Startmenü-Ordner „BAB TECHNOLOGIE GmbH“ zu finden.
macOS Installation
Doppelklicken Sie die entpackte Datei aus, um die Installation zu starten.
Möglicherweise werden Sie von Ihrem System auf einen nicht verifizierten Entwickler hingewiesen. Bitte beachten Sie dazu die Hinweise zum „Apple Gatekeeper“, siehe: https://support.apple.com/de-de/HT202491 , (Stand 05.10.2015)
Folgen Sie den Anweisungen des Installationsprozesses und klicken auf „Fortfahren“ um die Installation weiterzuführen.
Die Meldung „Die Installation war erfolgreich“ quittiert die erfolgreiche Installation. Das BAB
STARTER Symbol erscheint jetzt im Ordner „Programme“.
IP-Adresse anpassen
Nutzen Sie BAB STARTER um den EIBPORT im lokalen Netzwerk zu finden.
Starten Sie BAB STARTER ĂĽber folgendes Programmicon:

Klicken Sie auf „Geräte im Netzwerk suche…n“ um alle aktuell verfügbaren Geräte zu entdecken.
Einträge unter „Besuchte Geräte“ können veraltet sein!

Bitte beachten Sie auĂźerdem folgende Hinweise:
Damit Geräte erkannt werden, muss die Kommunikation per „Multicast“ im Netzwerk möglich sein.
Geräte, welche sich im gleichen Netzwerkbereich befinden, werden heller angezeigt als Geräte, welche sich in einem fremden Netzwerkbereich befinden.
Suchen Sie den gewĂĽnschten EIBPORT aus der Liste aus und klicken auf den Eintrag.
Sie erkennen den EIBPORT eindeutig anhand der Seriennummer (BTXXXXXXXXXX), die angezeigten Gerätenamen sind nicht eindeutig.
Befindet sich der EIBPORT nicht im gleichen Netzwerkadressbereich, so passen Sie die Netzwerkeinstellung Ihres Computers vorher an!
Rufen Sie über das Menü „Details“,

das Untermenü „Netzwerkeinstellungen ändern“ auf:

In diesem Menü können Sie die Netzwerkeeinstellung verändern, wenn sich der Computer im selben Netzwerkbereich wie der EIBPORT befindet. Insgesamt erlaubt das Menü folgende Einstellungen:
EIBPORT Name:
Vergeben Sie einen eindeutigen Namen für Ihr Gerät. Dieser Name wird auch im BAB STARTER oder im DiscoveryTool angezeigt.
DHCP aktiviert ja/nein:
Wenn aktiviert, erwartet der EIBPORT die automatische IP-Adressvergabe von einem DHCP-Server.IP-Adresse:
Feld zur manuellen Vergabe einer IP-Adresse. Tragen Sie hier die neue IP-Adresse ein.Subnetzmaske:
Tragen Sie die korrekte Subnetzmaske ein. Z. B. „255.255.255.0“
Standard Gateway:
IP-Adresse des Gateways des lokalen Netzwerkes. Z. B. die interne IP-Adresse des Routers.
DNS Server Nr. 1 – 3:
Die IP-Adresse eines DNS-Servers.
Der DNS-Dienst ist für die Auflösung von Hostnamen zu IP-Adressen notwendig. Wenn der DNS-Dienst nicht erreichbar ist können viele Dienste im EIBPORT, wie z. B. E-Mail, Wetteranzeige nicht ausgeführt werden.
Um die Einstellungen zu speichern, benötigen Sie den EIBPORT String und das Passwort des Benutzers „admin“.

Um zu speichern klicken Sie bitte auf „Einstellungen übernehmen“:

Die Konfigurationsänderung wird mit einem Dialog quittiert.
ERSTEINRICHTUNG
Am Ende der Ersteinrichtung können die die Einstellungen mit dem BAB STARTER überprüft werden!
Die Funktion "Einstellungen prĂĽfen" ist unter dem MenĂĽpunkt "Details" zu finden.
Parameter im ConfigTool
Nehmen Sie nach Anpassung der IP-Adresse weitere Einstellungen im Rahmen einer Ersteinrichtung vor. Die Ersteinrichtung geschieht über das „System“-Menü („ConfigTool“). Folgende Parameter sollten berücksichtigt werden:
NTP-Zeitserver zur Zeitsynchronisation
Physikalische Adressierung fĂĽr KNX
Montageort festlegen
LTE SIM-Karten Parameter einstellen (nur bei LTE-AusfĂĽhrung)
Rufen Sie den EIBPORT im BAB STARTER auf.
Sie erkennen das Gerät anhand der Seriennummer
Rufen Sie das „System“-Menü des Gerätes auf

Geben Sie Benutzerdaten (Werkseinstellungen: admin/eibPort) und den EIBPORT String (s. o.) an.
NTP-Zeitserver zur Zeitsynchronisation
Wechseln Sie im ConfigTool („System“) zu „Konfiguration“ > „Netzwerk Einstellungen“.

Im unteren Drittel finden Sie die „Zeit-Server Einstellungen“.

Tragen Sie dort die gĂĽltige Adresse eines Zeitservers ein (z. B. 130.149.17.21).
NTP ist ein Dienst zur Zeitsynchronisation ĂĽber das Netzwerk. Da der EIBPORT mit einer internen Statustabelle arbeitet, welche ihre Zeitstempel aus der EIBPORT Systemzeit ableitet, ist es wichtig, dass diese Zeit jederzeit korrekt ist!
Physikalische Adressierung fĂĽr KNX
Es gibt keine ETS-Applikation fĂĽr den EIBPORT. Die physikalische Adressierung wird ĂĽber das Webinterface vorgenommen.
Öffnen Sie im ConfigTool den Reiter „Konfiguration“ und das Menü „Allgemein“.
Physikalische Adresse der BCU:
Tragen Sie hier die physikalische Adresse des EIBPORT ein. Die Adresse muss dem Installationsort in der KNX-Anlage entsprechen

Bitte nutzen Sie für das ETS-Projekt eine ETS „Dummy“-Applikation um die Verwendung der physikalischen Adresse des EIBPORT zu dokumentieren.
Die ETS Dummy Applikation „Babtec.knxprod“ finden Sie auf der beiliegenden CD.
Indiv. Adr. fĂĽr KNXnet/IP Tunneling:
Vergeben Sie hier min. 2 freie physikalische Adressen aus der KNX-Buslinie in der sich der EIBPORT befindet.
Die ETS nutzt die „Tunneling“-Verbindung um den EIBPORT als Schnittstelle zum KNX-Bus verwenden zu können. KNXnet/IP Tunneling ist im EIBPORT (seit f/w 3.4.2) standardmäßig aktiviert. Ohne die korrekte Adressierung kann die Tunneling-Verbindung von der ETS nicht genutzt werden!
Montageort festlegen
Montageort:
Wählen Sie das Land aus in dem der EIBPORT installiert ist.
Diese Einstellung bestimmt die Zeitzone und die Sonnenstand Informationen der Astro-Uhr.
Klicken Sie auf „Daten speichern“.
LTE SIM-Karten einsetzen
(Bitte beachten Sie für detaillierte Hinweise zum LTE-Modem die separate Dokumentation „EIBPORT LTE-Inbetriebnahme“ auf der beiliegenden CD oder zum Download auf http://www.bab-tec.de ).
Um die SIM-Karte in Betrieb zu nehmen, gehen Sie wie folgt vor:
Schalten Sie das Gerät aus
Legen Sie die SIM-Karte in korrekter Ausrichtung in den SIM-Kartenslot ein (Bitte detaillierte Dokumentation beachten!)
PrĂĽfen Sie das an der mit MAIN beschrifteten SMA-Buchsen (Abbildung 1, 10) eine LTE-Antenne verbunden ist
Zum Erkennen/Einlesen der SIM-Karte ist immer ein Kaltstart erforderlich.
WeiterfĂĽhrende Programmierung
(Eine detaillierte Beschreibung aller EIBPORT Funktionen erhalten Sie in der EIBPORT Dokumentation auf der beiliegenden CD oder zum Download auf http://www.bab-tec.de ).
FĂĽr die weiterfĂĽhrende Programmierung benutzen Sie bitte die EIBPORT Editoren. Diese beinhalteten:
Editor fĂĽr die freie Visualisierung (CONTROL L / JAVA CONTROL)
Editor fĂĽr CUBEVISION2+
Editor fĂĽr CONTROL S
Editor fĂĽr Jobs (Dienste)
Grafischer Editor fĂĽr Logikgruppen
Free Component Builder 2 - Editor
Rest-API Schnittstelle
EnOcean Konfiguration (nur bei Geräten mit EnOcean Schnittstelle)
ESF-Daten und KNX Projekt Import
Um die Visualisierung abzurufen haben Sie folgende Möglichkeiten:
CONTROL L = Freie Visualisierung, webbasiert
CUBEVISION 2 = automatisch generierte 3D Visualisierung, webbasiert, skaliert automatisch auf die versch. Displaygrößen.
CUBEVISION2+ APP = kostenlos erhältlich für iOS® und Android®.
JAVA CONTROL = Java-basierte, freie Visualisierung (nur ĂĽber BAB STARTER)
CONTROL S = rudimentäre Tabellenvisualisierung für einfachere Endgeräte, webbasiert.
Hinweise zur Browser-Nutzung
Die webbasierten EIBPORT Visualisierungen (CONTROL L, CUBEVISION2+) setzen einen aktuellen Webbrowser,-der HTML 5 und CSS, unterstĂĽtzt.
Bitte nutzen Sie deshalb nur die folgenden Browser zur Darstellung:
Google Chrome
Mozilla Firefox
Apple Safari
EIBPORT RECOVERY Funktion
(ab Herstellungsdatum: 01.2021)
Die Recovery Funktion des EIBPORT stellt bei Bedarf, den Auslieferungszustand wieder her.
Dabei werden alle Projektdaten gelöscht!
Um die Wiederherstellung zu starten, drĂĽcken Sie die PrĂĽftaste (Abb. 1, 4) und schalten den EIBPORT ein. Halten Sie die PrĂĽftaste solange gedrĂĽckt (ca. 5-10 Sekunden), bis die rote PrĂĽftasten-LED (Abb. 1, 5) aufleuchtet.
Ab diesem Moment ist die Wiederherstellung aktiviert und die PrĂĽftaste kann losgelassen werden.
ACHTUNG: Während dieses Vorganges darf auf keinen Fall das Gerät spannungslos gemacht werden.
Plug & Play VPN Dienst
Der im EIBPORT vorinstallierten VPN-Dienst ist eine komfortable „Plug & Play“ Lösung für den sicheren Fernzugriff.
Durch das integrierte „HOOC CONNECT E“ Gateway wird eine verschlüsselte und gesicherte VPN-Verbindung mit der HOOC-Cloud für den externen Zugriff hergestellt.
Die Konfiguration von Port-Weiterleitungen oder besondere Voraussetzungen an der Internetverbindung sind ebenso wie zusätzliche Hardware nicht erforderlich.
Weitere Informationen und die separate Dokumentation finden Sie auf der unter der folgenden Internetadresse: http://bab-tec.de/hooc
Firmware Updates
Ăśber Firmware Updates fĂĽr den EIBPORT informieren wir Sie ĂĽber unsere Webseite und unseren Newsletter. Firmware Updates werden direkt ĂĽber das EIBPORT Webinterface durchgefĂĽhrt. Weitere Informationen siehe EIBPORT Handbuch.
Technische Daten
Abmessungen (B x H x T): 144 x 90 x 64,5 mm
Betriebsspannung: 12 – 30 V DC
Leistungsaufnahme: ≤ 4 VA
Busspannung ĂĽber KNX/EIB
Umgebungstemperatur: 0 bis 35 °C
Prozessor: quad-core ARM
Speicher: 2 GB RAM, 16 GB Flash
Betriebssystem: Embedded Linux
ALLGEMEINE HINWEISE
Entsorgungshinweise

[DE1921130422687]
Gewährleistung
Technische und formale Änderungen am Produkt, soweit sie dem technischen Fortschritt dienen, behalten wir uns vor. Wir leisten Gewähr im Rahmen der gesetzlichen Bestimmungen.
Falls Sie sich nicht sicher sind, ob ein Defekt des Gerätes vorliegt, setzen Sie sich bitte mit unserem Support in Verbindung:
+49 (0) 231 / 476 425 30 oder
Bevor Sie das defekte Gerät an uns senden, bitten wir Sie, ein RMA-Formular bei uns anzufordern.
Bitte beachten, dass wir unfreie Sendungen oder Sendungen ohne RMA-Formular nicht annehmen können!
///
