Installation
Bei der Montage und Inbetriebnahme bitte folgende Hinweise beachten, um unnötige Risiken von vorneherein auszuschließen.
VORSICHT!
Zerstörungsgefahr des Gerätes. Bei Arbeiten unter Spannung können Fehlerspannungen auftreten. Vor dem Anschließen die Installationsumgebung spannungsfrei schalten.
Bitte achten Sie darauf, dass der EIBPORT gegen Verpolung gesichert ist, aber nicht gegen Überspannung. Wird eine zu hohe Spannung angeschlossen, kann der EIBPORT dadurch zerstört werden.
Allgemein
Umgebungsvoraussetzung | |
|---|---|
Betriebsspannung: | 12 - 30V DC |
Leistungsaufnahme: | <= 4 W |
Klimabeständig: | nach EN 50090-2-2 |
Umgebungstemperatur: | 0 - 45 °C |
Rel. Feuchte (nicht kondensierend): | 5 % - 80 % |
Gerät anschließen
Schnappen Sie das Gerät auf Hutschiene nach DIN EN 60715 auf.
Spannungsversorgung
Bitte achten Sie bei der Konfektionierung der Spannungsversorgung darauf, dass genügend Leistung zur Verfügung steht. Der EIBPORT benötigt während des Boot-Vorgangs 300mA bei 12 V! Schließen Sie die Spannungsversorgung entsprechend der Kennzeichnung an die Schraubklemmen an.
Ethernet
Um den EIBPORT zu programmieren ist ein Zugriff über LAN notwendig. Das kann entweder über ein vorhandenes LAN oder über eine direkte Verbindung geschehen. Stecken Sie die Netzwerkleitung (LAN) in die RJ 45-Buchse (Abbildung 2 (4)) ein.
Voraussetzungen des Client PCs
Um den EIBPORT zu nutzen ist ein PC mit Netzwerkschnittstelle nötig. Das Betriebssystem des Rechners sollte einen aktuellen Browser, sowie eine aktuelle Java Runtime Enviroment Installation beinhalten.
Hinweis: Wird die Ausführung von Java durch den Browser verhindert nutzen Sie bitte den BAB STARTER.
ETS
Der EIBPORT benötigt keine ETS-Applikation. Eine Programmierung der BCU ist nicht erforderlich. Bitte beachten Sie das Kapitel „Physikalische Adresse“.
Gerät erwärmt sich im Betrieb. Maximale Umgebungstemperatur beachten. Für ausreichende Wärmeableitung sorgen.
zusätzlich bei KNX
Um optimale Arbeitsbedingungen zu schaffen, sollte der EIBPORT mit dem KNX-Bus verbunden sein. Dabei ist es vor allem wichtig, dass das Gerät mit Busspannung versorgt ist und nicht ob dort reale Teilnehmer vorhanden sind.
Gerät anschließen
Schließen Sie die Busleitung an die Busanschlussklemme (8) an
Busspannung einschalten
zusätzlich bei EnOcean
Gerät anschließen
Schrauben Sie den SMA-Stecker auf die SMA-Buchse (9,10) bis dieser festsitzt.
zusätzlich bei 1-Wire
Gerät anschließen
In den meisten Fällen werden 1-Wire Geräte über USB (1-Wire Busmaster) mit Spannung versorgt. Wenn die 1-Wire Sensoren als Slave, also ohne eigene Spannungsversorgung betrieben werden sollen, sind mit einem1-Wire Adapter/Buskoppler 15-20 Slaves bei einer Leitungslänge von ca. 20-30 Metern möglich.

Installationsvariante 1-Wire-Sensoren mit „Parasitic Power“
Schließen Sie den 1-Wire-Adapter an den USB-Anschluss des EIBPORT. Über den1-Wire-USB-Adapter wird das 1-Wire Netzwerk mit dem EIBPORT verbunden.
zusätzlich bei GSM/ LTE
Die SIM-Karte ist nicht ab Werk eingebaut, kann frei vom Benutzer gewählt und bei Bedarf sogar getauscht werden.
Die Erstinbetriebnahme, als auch der SIM-Karten Wechsel wird in der Zusatzanleitung „EIBPORT LTE Inbetriebnahme“ beschrieben.
Technische Daten LTE Modul:
Quad Band GSM Modem (850/ 900/ 1800/ 1900 MHz)
SMS-Senden und Empfangen
Anforderungen an die SIM-Karte:
Provider: Der Provider muss am Einbauort einen guten Empfang gewährleisten.
Tarif: Da der EIBPORT SMS versendet und empfängt, sollte der Tarif entsprechende Kostenvorteile bieten.
Größe der SIM-Karte: Für den EIBPORT wird die SIM-Kartengröße „Mini“ benötigt (Abbildung unten, roter Kreis). Hier eine Übersicht aller SIM-Karten Formate:

LT Sim Karten (Quelle: http://de.wikipedia.org/w/index.php?title=Datei:GSM_SIM_card_evolution.svg)
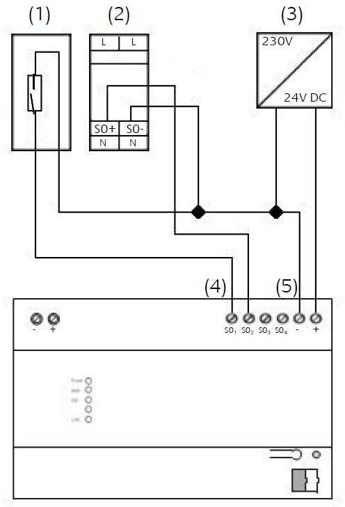
zusätzlich bei S0
24 V DC an die Anschlussklemme für die Spannungsversorgung der S0-Schnittstelle (Abbildung 6, (5)) anschließen. Keine 230V anschließen!
S0-Geräte an S0-Schnittstellen wie folgt anschließen (Abbildung 6, (4)).

4x Anschlüsse S0 - S0-Impulseingang Anschlussplan
(1) Reed-Kontakt zum Aufsetzen auf den Zähler.
(2) z.B. Eltako Wechselstromzähler WSZ12D-32A
(3) Spannungsversorgung 24V DC
(4) S0-Schnittstelle zum Auswerten von Messwerten
(5) Anschlussklemmen für S0-Spannungsversorgung 24V DC
Betriebsbereitschaft
Sind alle Anschlüsse montiert kann das Gerät mit Spannung versorgt werden. Um die korrekte Installation zu kontrollieren, warten Sie bis das Gerät vollständig gebootet ist. Das dauert circa 2 Minuten. Achten Sie dabei auf die „Signal LEDs“ (Abbildung 2, (3)) am Gerät. Bei korrekter Betriebsbereitschaft leuchten 4 LEDs:
Power LED | grün |
BMX LED | grün |
KNX LED | grün (evtl. blinkend) |
LAN LED | grün (evtl. blinkend) |
Leuchtet die EIB LED nicht Grün, ist der KNX-Treiber im EIBPORT nicht gestartet, starten Sie den EIBPORT neu.
Leuchtet die LAN LED nicht, ist keine LAN-Verbindung hergestellt, kontrollieren Sie das LAN-Kabel.
Ist die Power LED nicht grün, sondern orange, ist das Gerät nicht korrekt gebootet.
Leuchtet die BMX LED nicht grün, ist der Applikationsserver nicht korrekt gestartet. Ändert sich das auch nach mehrmaligen Neustarts nicht, ist das Gerät defekt.